On July 2, 2025, a long-standing customer from Nigeria sent us an inquiry for 316 Stainless Steel Threaded Nipple. Both stainless steel and threaded nipples are our core products. After receiving the quote, the customer placed an order two weeks later.
ZIZI is a company specializing in the production and processing of pipes and fittings. Our pipes and fittings are primarily used in the chemical, petroleum, natural gas, water conservancy, power generation, and marine engineering sectors. Our products include seamless pipes and welded pipes of various sizes, butt-weld fittings, high-pressure forged fittings, and flanges. Materials include carbon steel, stainless steel, alloy steel, cryogenic steel, duplex steel, and base alloys.
Inspection Photos

What is a 316 stainless steel threaded Nipple?
A threaded nipple is a short pipe fitting with threads on both ends, commonly used to connect two sections of pipe, valves, or equipment. It is easy to install and does not require welding. The 316 stainless steel short section is made of austenitic stainless steel containing molybdenum (Mo), which offers stronger corrosion resistance than 304 stainless steel. It is particularly suitable for working environments containing chloride ions or acidic/alkaline media.
ASTM A733 Threaded Nipple Specification
| Specification | Threaded Nipple |
| Size | 1/4” – 12” / DN8 – DN300 |
| Wall Thickness | Sch 10 – Sch 160 / XXS |
| Standard | ASTM A733 |
| End | PE, BE,THD |
| Thread Type | NPT, PT, BSPP, BSPT, PF |
| Stainless Steel | ASTM A312 TP304/304L/304H, 316/316L, 310S, 317,347,904L, |
| Duplex Stainless Steel | S32205, S31803, 32750, 32760, S32550 |
ASTM A182 F316 Threaded Fittings Chemical Composition
| CHEMICAL | LIMITS | C | Mn | P | S | Si | Ni | Cr | Mo | N |
| ASTM A182 F316 | MIN | 10.0 | 16.0 | 2.00 | ||||||
| MAX | 0.08 | 2.00 | 0.045 | 0.030 | 1.00 | 14.0 | 18.0 | 3.00 | 0.10 | |
| ASTM A182 F316L | MIN | 10.00 | 16.0 | 2.00 | ||||||
| MAX | 0.03 | 2.00 | 0.045 | 0.030 | 1.00 | 15.00 | 18.0 | 3.00 | 0.10 |
ASTM A182 F316 Threaded Fittings Mechanical Property
| MATERIAL | ASTM A182 F316 | ASTM A182 F316L |
| T.S (MPA) | 515 min | 485 min |
| Y.S (MPA) | 205 min | 170 min |
| EL % | 30 min | 30 min |
| R/A % | 50 min | 50 min |
Classification of Threaded Nipple
One end threaded nipple
One end threaded nipple have threads machined on one end and a flat surface or socket on the other end, designed for connecting pipes that require threaded connections on one end. This structure makes them suitable for specific connection applications in piping systems. For example, when connecting equipment with an internal threaded joint to a pipe, the non-threaded end of the one end threaded nipple can be welded to the pipe or connected in another manner, while the threaded end is connected to the equipment’s internal threaded joint via the threaded connection.
Both end threaded nipple
Both end threaded nipple are threaded, making it suitable for connecting pipes or fittings that require threaded connections on both ends. This provides greater flexibility in pipe connections. Both end threaded nipple can be used to directly connect two pipes with external threads, or to connect a pipe with external threads to a device or fitting with internal threads.
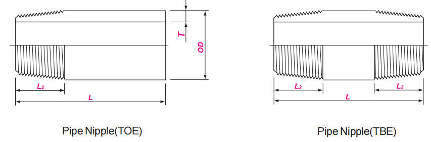
ASTM A733 Threaded Nipple Dimensions

| Nominal Size | OD of Pipes | Lengths of Thread | Wall of pipes | Pipe Nipple Lengths | |||
| DN | NPS | OD | L 2 min | T | L | ||
| Ⅰ | Ⅱ | Ⅲ | |||||
| 6 | 1/8 | 10.3 | 6.7 | STD,XS Sch40,Sch80 | 50 | 75 | 100 |
| 8 | 1/4 | 13.7 | 10.2 | ||||
| 10 | 3/8 | 17.1 | 10.4 | ||||
| 15 | 1/2 | 21.3 | 13.6 | STD,XS Sch40,Sch80 | 50 | 75 | 100 |
| 50 | 3/4 | 26.7 | 13.9 | ||||
| 25 | 1 | 33.4 | 17.3 | ||||
| 32 | 11/4 | 42.2 | 18.0 | STD,XS Sch40,Sch80 | 75 | 100 | 150 |
| 40 | 11/2 | 48.3 | 18.4 | ||||
| 50 | 2 | 60.3 | 19.2 | ||||
| 65 | 21/2 | 73.0 | 28.9 | STD,XS Sch40,Sch80 | 100 | 150 | 200 |
| 80 | 3 | 88.9 | 30.5 | ||||
| 90 | 31/2 | 101.6 | 31.8 | ||||
| 100 | 4 | 114.3 | 33.0 | STD,XS Sch40,Sch80 | 100 | 150 | 200 |
| 125 | 5 | 141.3 | 35.7 | ||||
| 150 | 6 | 168.3 | 38.4 | ||||
| 200 | 8 | 219.1 | 43.5 | STD,XS Sch40,Sch80 | 150 | 200 | 250 |
| 250 | 10 | 273.0 | 48.9 | ||||
| 300 | 12 | 323.8 | 54.0 | ||||
Why choose us?
We offer 316 stainless steel threaded nipple that comply with ASTM A312/A733 standards, supporting custom lengths, thread types, and special processing requirements. All products come with material test certificates (MTC 3.1) and third-party inspection services. With ample inventory, timely delivery, and reliable quality, we are your trusted stainless steel pipe fitting supplier.
For quotes, samples, or more information about 316 stainless steel threaded fittings, please feel free to contact us at any time!
Applicable Industries
Chemical Pipeline and Anti-corrosion System
Seawater Desalination Equipment
Food and Pharmaceutical Fluid Conveyance System
Oil and Gas Pipeline Connection
Water Treatment and Environmental Protection Equipment
Latest News
- 04 3 月 2026Marking Rules for ASME B16 & B36 Piping ProductsASME standards are the most widely used specifications […]...
- 26 2 月 2026ASME B18.2.1-2012 – The Active StandardASME B18.2.1-2012 is the latest active version of […]...
- 24 2 月 2026EN 1092-1 Loose Plate Flange Type 04What is EN 1092-1 Loose Plate Flange Type 04? EN 1092-1 […]...
