90 degree threaded elbow is a pipe fitting with internal or external threads that can be connected to pipes or fittings with corresponding threads by screwing them together. During installation, sealing materials are typically used to ensure proper sealing. It can change the direction of fluid flow by 90 degrees, enabling quick assembly and disassembly without welding. As a result, it is widely used in low to medium-pressure, small-diameter pipelines, particularly in applications requiring convenient maintenance or where open flame work is prohibited, such as fire protection systems, water supply and drainage, compressed air, oil and gas transportation, and chemical medium pipelines.

Specification For Threaded 90 Degree Elbow
| Form : | Forged Elbow, 90 Deg Elbow. |
| Size : | 1/8″ NB TO 4″ NB |
| Pressure Class : | CL2000/3000/6000 |
| Thickness: | Sch 10s, 20, STD, 40, 80, 160, XXS |
| Bend Radius: | Long Radius (LR), Short Radius (SR) |
| ASME: | ASME 16.11, MSS SP-79, MSS SP-95, 83, 95, 97, BS 3799 |
| DIN: | DIN2605, DIN2615, DIN2616, DIN2617, DIN28011 |
| EN: | EN10253-1, EN10253-2 |
Long Radius (LR) 90° Elbow:
The radius of curvature (R) is 1.5 times the nominal pipe size (NPS) or outside diameter (D). (R = 1.5D). This provides a smoother turn, reducing friction, turbulence, and pressure drop. It’s generally preferred when space allows and flow efficiency is critical.
Short Radius (SR) 90° Elbow:
The radius of curvature (R) is equal to the nominal pipe size (NPS) or outside diameter (D). (R = 1.0D). This results in a sharper turn, increasing turbulence and pressure drop, but it is more compact and suitable for tight spaces where a smaller bend is necessary.
Material & Grades of Threaded Elbow :
Carbon Steel :
ASTM A105 / A105N,ASTM A350 LF2 / LF3, A694 F42 / 46 / 52 / 56 / 65 / 70
Alloy Steel :
ASTM / ASME A/SA 182 & A 387 F1, F5, F9, F11, F12, F22, F91
Stainless Steel :
ASTM A 182, A 240 F 304, 304L, 304H, 316, 316L, 316Ti, 310, 310S, 321, 321H, 317, 347, 347H, 904L
Duplex & Super Duplex Steel :
ASTM / ASME A/SA 182 F 44, F 45, F51, F 53, F 55, F 60, F 61
Copper Alloy Steel :
ASTM SB 61 , SB62 , SB151 , SB152 UNS No. C 70600 (Cu-Ni 90/10), C 71500 (Cu-Ni 70/30), UNS No. C 10100, 10200, 10300, 10800, 12000, 12200
Nickel Alloy :
ASTM SB564, SB160, SB472, SB162 Nickel 200 (UNS No. N02200), Nickel 201 (UNS No. N02201), Monel 400 (UNS No. N04400), Monel 500 (UNS No. N05500), Inconel 800 (UNS No. N08800), Inconel 825 (UNS No. N08825), Inconel 600 (UNS No. N06600), Inconel 625 (UNS No. N06625), Inconel 601 (UNS No. N06601), Hastelloy C 276 (UNS No.N10276), Alloy 20 (UNS No. N08020)
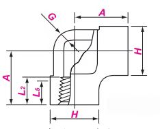
ASME B16.11 Threaded 90 Degree Elbow Dimension

| Nominal Size | Center-to-End | Outside Diameter of Band | Wall Thickness | Length of Thread | ||||||||
| DN | NPS | A | H | G min | L5 min | L2 min | ||||||
| 90° Elbows | ||||||||||||
| 2000 | 3000 | 6000 | 2000 | 3000 | 6000 | 2000 | 3000 | 6000 | ||||
| 6 | 1/8 | 21 | 21 | 25 | 22 | 22 | 25 | 3.18 | 3.18 | 6.35 | 6.4 | 6.7 |
| 8 | 1/4 | 21 | 25 | 28 | 22 | 25 | 33 | 3.18 | 3.30 | 6.60 | 8.1 | 10.2 |
| 10 | 3/8 | 25 | 28 | 33 | 25 | 33 | 38 | 3.18 | 3.51 | 6.98 | 9.1 | 10.4 |
| 15 | 1/2 | 28 | 33 | 38 | 33 | 38 | 46 | 3.18 | 4.09 | 8.15 | 10.9 | 13.6 |
| 20 | 3/4 | 33 | 38 | 44 | 38 | 46 | 56 | 3.18 | 4.32 | 8.53 | 12.7 | 13.9 |
| 25 | 1 | 38 | 44 | 51 | 46 | 56 | 62 | 3.68 | 4.98 | 9.93 | 14.7 | 17.3 |
| 32 | 1 1/4 | 44 | 51 | 60 | 56 | 62 | 75 | 3.89 | 5.28 | 10.59 | 17.0 | 18.0 |
| 40 | 1 1/2 | 51 | 60 | 64 | 62 | 75 | 84 | 4.01 | 5.56 | 11.07 | 17.8 | 18.4 |
| 50 | 2 | 60 | 64 | 53 | 75 | 84 | 102 | 4.27 | 7.14 | 12.09 | 19.0 | 19.2 |
| 65 | 2 1/2 | 76 | 83 | 95 | 92 | 102 | 121 | 5.61 | 7.65 | 15.29 | 23.6 | 28.9 |
| 80 | 3 | 86 | 95 | 106 | 109 | 121 | 146 | 5.99 | 8.84 | 16.64 | 25.9 | 30.5 |
| 100 | 4 | 106 | 114 | 114 | 146 | 152 | 152 | 6.55 | 11.18 | 18.67 | 27.7 | 33 |
Threaded Elbow Weight Chart in KG
| NOMINAL SIZE | 90 DEGREE THREADED ELBOW | |||
| DN | NPS | 2000 | 3000 | 6000 |
| 6 | 1/8 | 0.08 | 0.1 | 0.18 |
| 8 | 1/4 | 0.08 | 0.15 | 0.33 |
| 10 | 3/8 | 0.13 | 0.3 | 0.48 |
| 15 | 1/2 | 0.22 | 0.45 | 0.72 |
| 20 | 3/4 | 0.32 | 0.7 | 1.29 |
| 25 | 1 | 0.5 | 1.21 | 1.65 |
| 32 | 1 1/4 | 0.8 | 1.47 | 2.7 |
| 40 | 1 1/2 | 0.93 | 2.6 | 3.9 |
| 50 | 2 | 1.6 | 3.05 | 6.05 |
| 65 | 2 1/2 | 2.95 | 5.8 | 9.88 |
| 80 | 3 | 5.6 | 8.85 | 16.4 |
| 100 | 4 | 10.5 | 14.9 | 23.5 |
Installation and Sealing Guidelines
Clean the threads and inspect for burrs or damage
Select appropriate PTFE tape or specialized thread sealant (chemical compatibility must match the medium)
After hand-tightening to the correct position, use a wrench to tighten at the specified angle to avoid over-tightening, which can cause cracking or thread failure
Align the direction before final tightening to prevent seal surface damage caused by backlash
After passing pressure leakage testing (airtight/water pressure), put into operation and conduct regular re-inspections
How to Calculate Weight of 90 Degree Elbow
The weight formula is W=0.0387 * S*(D – S) * R / 1000, the unit is kg/piece. What’s the meaning of each letter? Let’s explain to you.
W means Weight.
S means Thickness in mm.
D means Outside Diameter in mm.
R means Radius that LR=1.5D, SR=1D.
Now we take “90 Degree Elbow LR Seamless 6″ Sch 40 BW ASTM A234 WPB” as sample. From above diameter and thickness chart, we know the outside diameter is 168.3mm and thickness is 7.11mm. The weight will be 0.0387 x 7.11 x ( 168.3 – 7.11 )x 1.5 x 168.3 / 1000 = 11kg/piece.
How to Inspect Forged Elbows
Inspect the surface of A182 forged elbows for defects such as cracks, wrinkles, or scale. Cracks may be caused by stress concentration during the forging process or defects in the raw material, while wrinkles and scale may affect the uniformity of wall thickness and strength of the elbow.
Measure the dimensional parameters of the elbow. For example, for a 90° forged elbow, the angular deviation should be within the specified range, typically not exceeding ±1°.
Inspect the end port shape of the elbow, which should be flat and perpendicular to the axis to ensure proper alignment with adjacent pipes.
Frequently Asked Questions (FAQ)
Q1: Are 90° threaded elbows more prone to leaks than butt-welded elbows?
A: When properly selected and sealed and tightened according to specifications, they can reliably meet the requirements of medium and low pressure applications. For high temperature, high pressure, or highly corrosive environments, butt-welded or flanged connections are recommended.
Q2: Can NPT and BSPT be directly connected?
A: Not recommended. Differences in thread angle, pitch, and taper may cause leakage or damage if forced to connect.
Latest News
- 04 3 月 2026Marking Rules for ASME B16 & B36 Piping ProductsASME standards are the most widely used specifications […]...
- 26 2 月 2026ASME B18.2.1-2012 – The Active StandardASME B18.2.1-2012 is the latest active version of […]...
- 24 2 月 2026EN 1092-1 Loose Plate Flange Type 04What is EN 1092-1 Loose Plate Flange Type 04? EN 1092-1 […]...
