Raised Face Weld Neck Flange (RF Weld Neck Flange) is a common high-strength flange connection type. Its defining feature is a raised surface (Raised Face, abbreviated as RF) on the flange sealing face. This structure effectively concentrates pressure, enhancing the reliability of the seal between the gasket and the flange.
What are Weld Neck Flanges?
Weld neck flanges (WN flanges) are pipe connection components characterized by their weld neck design, which achieves high-strength, high-seal integrity connections within piping systems through butt weld to the pipe. weld neck flanges possess an extended neck section welded directly to the pipe. This neck design not only enhances connection strength but also provides a smoother fluid passage, reducing flow resistance. The flange sealing face is the critical interface for connecting the weld neck flange to its mating flange or equipment. Common sealing face types include flat face (FF), raised face (RF), female face (FM), and tongue and groove (TG). Different flange face types suit varying sealing requirements and operating conditions. Weld neck flanges feature uniformly distributed bolt holes for securing connections with mating flanges via bolts and nuts. The number, size, and arrangement of bolt holes comply with standard specifications to ensure connection reliability and interchangeability.
The manufacturing process for weld neck flanges includes raw material preparation, forging or casting, machining, heat treatment, and non-destructive testing. Forging and casting are the primary methods for shaping these flanges. Forged flanges feature dense microstructure, high strength, and excellent toughness; cast flanges are suitable for producing large-sized or complex-shaped components. Machining ensures dimensional accuracy and surface finish; heat treatment relieves residual stresses while enhancing mechanical properties and corrosion resistance; non-destructive testing detects internal defects and cracks.
What is a Raised Face Flange?
Raised Face Flange (RF Flange) is a type of pipe connection component featuring a sealing surface elevated above the bolt hole plane, forming a raised annular area. This design primarily concentrates the preload force on the gasket, applying greater pressure across a smaller contact area to achieve a more reliable seal and effectively prevent fluid leakage. Due to their outstanding sealing performance, RF flanges are among the most common and widely used flange sealing face types in industrial piping systems.

Features of RF Weld Neck Flanges
High Strength and Sealing Performance: The raised face structure ensures uniform gasket compression, making it suitable for high-pressure applications.
Welding Stability: The weld neck is butt-welded to the pipe, delivering high strength and fatigue resistance.
High Temperature and Corrosion Resistance: Available in carbon steel, stainless steel, alloy steel, and other materials to meet diverse operational requirements.
Wide Application: Commonly used in piping systems requiring frequent disassembly and high sealing standards.
Weld Neck Flange Standard Specification
ASME B16.5
Size: 1/2 inch to 24 inches
Pressure: 150#, 300#, 600#, 900#, 1500#, 2500#
ASME B16.5 is a widely recognized and used standard published by the American Society of Mechanical Engineers (ASME). This standard covers pressure-temperature ratings, materials, dimensions, tolerances, marking, testing, and methods for specifying openings for pipe flanges and flanged fittings.
ASME B16.47A
Size: 26 inches to 60 inches
Pressure: 150#, 300#, 400#, 600#, 900#
ASME B16.47 A covers pressure-temperature ratings, materials, dimensions, tolerances, marking, and testing for large-diameter steel pipe flanges from NPS 26 to NPS 60. Compared to the B series, these flanges are typically thicker, heavier, and feature larger bolt circles and bolt sizes. They are generally considered more robust and capable of withstanding greater external loads.
ASME B16.47B
Size: 26 inches ~ 60 inches
Pressure: 75#, 150#, 300#, 400#, 600#, 900#
The ASME B16.47 standard covers two series of large-diameter steel flanges, one of which is ASME B16.47B, titled “Large Diameter Steel Flanges: NPS 26 to NPS 60 Metric/Inch Standard.” These flanges are typically lighter and thinner, with smaller bolt circles and bolt sizes, requiring more but smaller fasteners.
EN 1092-1
Size: DN 10 to DN 4000
Pressure: PN 2.5, 6, 10, 16, 25, 40, 63, 100, 160, 250, 400
EN 1092-1 is the European standard for steel circular flanges used to connect piping systems and equipment. This standard applies to flanges for pipes, valves, fittings, and other piping components, and is widely adopted in Europe and internationally.
JIS B2220
Size: 10A ~ 1500A
Pressure: 5K, 10K, 16K, 20K, 30K, 40K
JIS B2220 is a Japanese Industrial Standard (JIS) for steel pipe flanges. This standard is published by the Japanese Standards Association (JSA).
DIN 2631 to DIN 2635
Size: DN 10 ~ DN 1000+
Pressure:
| DIN 2631 | DIN 2632 | DIN 2633 | DIN 2634 | DIN 2635 |
| PN 6 | PN 10 | PN 16 | PN 25 | PN 40 |
They are German Industrial Standard (DIN) that specifies welding neck flanges . This type of flange attaches to a piping system by butt welding the pipe directly to the flange neck. This design provides excellent stress distribution and is suitable for higher pressure and temperature applications.
Material & Grades of Forged Flanges :
Carbon Steel Raised Face Weld Neck Flange :
ASTM A105 / A105N,ASTM A350 LF2 / LF3, A694 F42 / 46 / 52 / 56 / 65 / 70
Alloy Steel Raised Face Weld Neck Flange :
ASTM / ASME A/SA 182 & A 387 F1, F5, F9, F11, F12, F22, F91
Stainless Steel Raised Face Weld Neck Flange :
ASTM A 182, A 240 F 304, 304L, 304H, 316, 316L, 316Ti, 310, 310S, 321, 321H, 317, 347, 347H, 904L
Duplex & Super Duplex Steel Raised Face Weld Neck Flange :
ASTM / ASME A/SA 182 F 44, F 45, F51, F 53, F 55, F 60, F 61
Copper Alloy Steel Raised Face Weld Neck Flange :
ASTM SB 61 , SB62 , SB151 , SB152 UNS No. C 70600 (Cu-Ni 90/10), C 71500 (Cu-Ni 70/30), UNS No. C 10100, 10200, 10300, 10800, 12000, 12200
Nickel Alloy Raised Face Weld Neck Flange :
ASTM SB564, SB160, SB472, SB162 Nickel 200 (UNS No. N02200), Nickel 201 (UNS No. N02201), Monel 400 (UNS No. N04400), Monel 500 (UNS No. N05500), Inconel 800 (UNS No. N08800), Inconel 825 (UNS No. N08825), Inconel 600 (UNS No. N06600), Inconel 625 (UNS No. N06625), Inconel 601 (UNS No. N06601), Hastelloy C 276 (UNS No.N10276), Alloy 20 (UNS No. N08020)
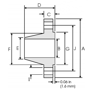
ASME B16.5 Weld Neck Flange Dimension
Weld neck flanges are primarily available in sizes ranging from 1/2’’ to 24’’ (DN15 to DN600). They are manufactured to ASME B16.5 standards and are rated for pressure classes 150, 300, 600, 900, and 1500.
Class 150 lb Weld Neck Flange Dimensions & Weight

| NPS | A | B | C | D | E | F | G | H | I | J | W |
| inch | inch | inch | inch | inch | inch | inch | No. of Holes | inch | inch | kg/pc | |
| mm | mm | mm | mm | mm | mm | mm | mm | mm | |||
| 1/2 | 3.500 | 0.620 | 0.440 | 1.880 | 0.840 | 1.190 | 1.380 | 4 | 0.620 | 2.380 | 0.48 |
| 88.90 | 15.70 | 11.20 | 47.80 | 21.30 | 30.20 | 35.00 | 15.70 | 60.45 | |||
| 3/4 | 3.880 | 0.820 | 0.500 | 2.060 | 1.050 | 1.500 | 1.690 | 4 | 0.620 | 2.750 | 0.71 |
| 98.60 | 20.80 | 12.70 | 52.30 | 26.70 | 38.10 | 42.90 | 15.70 | 69.85 | |||
| 1 | 4.250 | 1.050 | 0.560 | 2.190 | 1.320 | 1.940 | 2.000 | 4 | 0.620 | 3.120 | 1.01 |
| 108.0 | 26.70 | 14.20 | 55.60 | 33.50 | 49.30 | 50.80 | 15.70 | 79.25 | |||
| 1-1/4 | 4.620 | 1.380 | 0.620 | 2.250 | 1.660 | 2.310 | 2.550 | 4 | 0.620 | 3.500 | 1.33 |
| 117.3 | 35.10 | 15.70 | 57.15 | 42.20 | 58.70 | 63.50 | 15.70 | 88.90 | |||
| 1-1/2 | 5.000 | 1.610 | 0.690 | 2.440 | 1.900 | 2.560 | 2.880 | 4 | 0.620 | 3.880 | 1.72 |
| 127.0 | 40.90 | 17.50 | 62.00 | 48.30 | 65.00 | 73.15 | 15.70 | 98.60 | |||
| 2 | 6.000 | 2.070 | 0.750 | 2.500 | 2.380 | 3.060 | 3.620 | 4 | 0.750 | 4.750 | 2.58 |
| 152.4 | 52.60 | 19.10 | 63.50 | 60.45 | 77.70 | 91.90 | 19.10 | 120.7 | |||
| 2-1/2 | 7.000 | 2.470 | 0.880 | 2.750 | 2.880 | 3.560 | 4.120 | 4 | 0.750 | 5.500 | 4.11 |
| 177.8 | 62.70 | 22.40 | 69.85 | 73.15 | 90.40 | 104.6 | 19.10 | 139.7 | |||
| 3 | 7.500 | 3.070 | 0.940 | 2.750 | 3.500 | 4.250 | 5.000 | 4 | 0.750 | 6.000 | 4.92 |
| 190.5 | 78.00 | 23.90 | 69.85 | 88.90 | 108.0 | 127.0 | 19.10 | 152.4 | |||
| 3-1/2 | 8.500 | 3.550 | 0.940 | 2.810 | 4.000 | 4.810 | 5.500 | 8 | 0.750 | 7.000 | 6.08 |
| 215.9 | 90.20 | 23.90 | 71.40 | 101.6 | 122.2 | 139.7 | 19.10 | 177.8 | |||
| 4 | 9.000 | 4.030 | 0.940 | 3.000 | 4.500 | 5.310 | 6.190 | 8 | 0.750 | 7.500 | 6.84 |
| 228.6 | 102.4 | 23.90 | 76.20 | 114.3 | 134.9 | 157.2 | 19.10 | 190.5 | |||
| 5 | 10.00 | 5.050 | 0.940 | 3.500 | 5.560 | 6.440 | 7.310 | 8 | 0.880 | 8.500 | 8.56 |
| 254.0 | 128.3 | 23.90 | 88.90 | 141.2 | 163.6 | 185.7 | 22.40 | 215.9 | |||
| 6 | 11.00 | 6.070 | 1.000 | 3.500 | 6.630 | 7.560 | 8.500 | 8 | 0.880 | 9.500 | 10.6 |
| 279.4 | 154.2 | 25.4 | 88.90 | 168.4 | 192.0 | 215.9 | 22.40 | 241.3 | |||
| 8 | 13.50 | 7.980 | 1.120 | 4.000 | 8.630 | 9.690 | 10.62 | 8 | 0.880 | 11.75 | 17.6 |
| 342.9 | 202.7 | 28.40 | 101.6 | 219.2 | 246.1 | 269.7 | 22.40 | 298.5 | |||
| 10 | 16.00 | 10.02 | 1.190 | 4.000 | 10.75 | 12.00 | 12.75 | 12 | 1.000 | 14.25 | 24.0 |
| 406.4 | 254.5 | 30.20 | 101.6 | 273.0 | 304.8 | 323.8 | 25.40 | 362.0 | |||
| 12 | 19.00 | 12.00 | 1.250 | 4.500 | 12.75 | 14.38 | 15.00 | 12 | 1.000 | 17.00 | 36.5 |
| 482.6 | 304.8 | 31.75 | 114.3 | 323.8 | 365.3 | 381.0 | 25.40 | 431.8 | |||
| 14 | 21.00 | 1.380 | 5.000 | 14.00 | 15.75 | 16.25 | 12 | 1.120 | 18.75 | 48.4 | |
| 533.4 | 35.10 | 127.0 | 355.6 | 400.1 | 412.7 | 28.40 | 476.3 | ||||
| 16 | 23.50 | 1.440 | 5.000 | 16.00 | 18.00 | 18.50 | 16 | 1.120 | 21.25 | 60.6 | |
| 596.9 | 36.60 | 127.0 | 406.4 | 475.2 | 469.9 | 28.40 | 539.8 | ||||
| 18 | 25.00 | 1.560 | 5.500 | 18.00 | 19.88 | 21.00 | 16 | 1.250 | 22.75 | 68.3 | |
| 635.0 | 39.60 | 139.7 | 457.2 | 505.0 | 533.4 | 31.75 | 577.9 | ||||
| 20 | 27.50 | 1.690 | 5.690 | 20.00 | 22.00 | 23.00 | 20 | 1.250 | 25.00 | 84.5 | |
| 698.5 | 42.90 | 144.5 | 508.0 | 558.8 | 584.2 | 31.75 | 635 | ||||
| 24 | 32.00 | 1.880 | 6.000 | 24.00 | 26.12 | 27.25 | 20 | 1.380 | 29.50 | 115 | |
| 812.8 | 47.80 | 152.4 | 609.6 | 663.4 | 692.1 | 35.10 | 749.3 |
Application of RF Weld Neck Flange
Oil and Gas Industry
Chemical and Pharmaceutical Industry
Power and Boiler Systems
Marine and Offshore Engineering
Mechanical and Metallurgical Industries
How to Select and Install Raised Face High Neck Flanges?
Material: Select alloy steel or carbon steel matching the pipeline material to ensure connection compatibility and long-term stability. Common materials include ASTM A105, ASTM A182 (F11, F22, F5, F9), etc.
Size and Class: Select appropriate flange dimensions based on the pipeline’s nominal diameter, pressure rating, and fluid temperature.
Installation: Professional installers must ensure quality butt welding between the flange and pipe, and apply correct torque when tightening bolts to guarantee uniform stress distribution across the sealing surface.
Latest News
- 04 3 月 2026Marking Rules for ASME B16 & B36 Piping ProductsASME standards are the most widely used specifications […]...
- 26 2 月 2026ASME B18.2.1-2012 – The Active StandardASME B18.2.1-2012 is the latest active version of […]...
- 24 2 月 2026EN 1092-1 Loose Plate Flange Type 04What is EN 1092-1 Loose Plate Flange Type 04? EN 1092-1 […]...
